
| Napięcie Zasilania | 8 – 32 VDC |
| Czas Załączenia | <500 ms |
| Min Temperature | - 20 °C (- 4 °F) |
| Max Temperature | +80 °C (+176 °F) |
| Waga | 1280 g (2.82 lb) |
| Stopień Ochrony | IP54 |
| EMC: Emisja Zakłóceń | DIN EN 61000-6-4 |
| EMC: Odporność na Szum | DIN EN 61000-6-2 |
| Measuring Length | 6.00 m |
| Średnia Długość na Obrót | 200 mm |
| Materiał Linki Pomiarowej | Stal Nierdzewna |
| Średnica Linki Pomiarowej | 0.60 mm |
| Materiał Obudowy | Stal |
| Materiał Obudowy Mechanizmu Linkowego | Aluminium / Plastikowy |
| Max. Prędkość Przemieszczenia Linki | 3 m/s |
| Maks. Przyspieszenie Kątowe | 2.4 g |
| Max. Siła Rozwijania Linki | 8.0 N |
| Min. Siła Zwijania Linki | 3.0 N |
| Żywotność | Niedostępny |
| Typ Mocowania Linki | M6 Thread |
| Maks. kąt wyjściowy kabla. | ±10° |
| Technologia Enkodera | Magnetyczny (≤ 0.09°) |
| Dokładność | ± 0.10 % Full Scale Output |
| Powtarzalność | ±0.003 % Full Scale Output |
| Rozdzielczość (w obrębie jednego obrotu) | 13 bity |
| Rozdzielczość Wieloobrotowy | 4 bity |
| Przybliżona Rozdzielczość Liniowa | 24.4 µm |
| Standard Wyjścia | Napięcie Analogowe 0 – 5 V |
| Rozdzielczość Wyjścia | Max. 13 bits w całym zakresie pomiarowym (Obrót Częściowy – rozdzielczość może być mniejsza niż 13 bit jeśli zakres pomiarowy jest mniejszy niż 90 stopni) |
| Liczba Obrotów | 16 (ustawiony domyślnie). Użytkownik może użyć funkcji skalowania to zwiększenia liczby obrotów do 65536 (może użyć programator UBIFAST do zmiany liczby obrotów) |
| Interfejs | Napięcie Analogowe |
| Funkcje Konfiguracji | Punkt rozpoczęcia i zakończenia poprzez kabel lub złącze lub Push Button |
| Pobór Prądu | Typ. 15 mA @ 24 V (bez obciążenia) |
| Min. Rezystancja Obciążenia | 5 kΩ |
| Analog Dokładność | @ 10 V = ±10 mV (przy idealnym napięciu zasilania) |
| Czas Ustalania | 32 ms (from min value to max value jump) |
| Zabezpieczenie przed Odwrotną Polaryzacją | Tak |
| Zabezpieczenie przed Zwarciem | Tak |
| MTTF | 257.6 lat @ 40 °C |
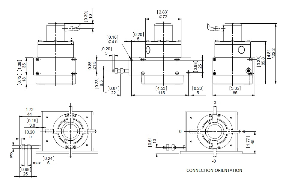
| Orientacja Przyłącza Elektrycznego | z boku |
| Orientacja Przyłącza Elektrycznego | Z boku 3 |
| Długość Przewodu | 10 m [394"] |
| Przekrój Przewodów | 0.14 mm² / AWG 26 |
| Materiał / Typ | PVC |
| Średnica Przewodu | 6 mm (0.24 in) |
| Min. Promień Gięcia | 46 mm (1.81") na czas, 61 mm (2.4") ugięcie |
| Żywotność produktuInfo | Wyjściu |
| Sygnał | Kolor |
|---|---|
| Power Supply | Red |
| GND | Yellow |
| Analog Output | Green |
| Set1/Direction | Brown |
| Set2/Zero Set | White |
