| Introduzione | I giunti per compensatore di dilatazione sono idealmente utilizzati in applicazioni in cui il giunto deve sostenere l'alta rigidità torsionale e/o un basso momento di inerzia. |
| 10017239 - Coupling Bellow Type-06-08 |
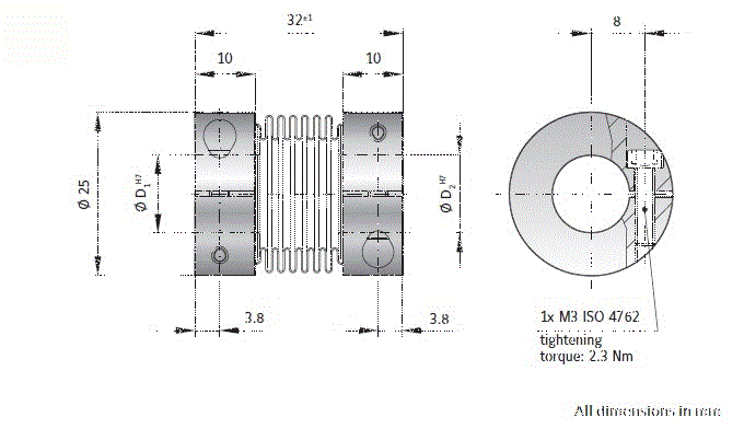
| Tipo di giunto | Giunto per compensatore di dilatazione |
| Ø d1 (diametro mozzo 1) | 6 mm |
| Ø d2 (diametro mozzo 2) | 8 mm |
| Materiale di mozzo/flangia | Aluminium |
| Materiale di ragno/membrana a disco/compensatore di dilatazione | Stainless Steel |
| Massima velocità di funzionamento del giunto | 12000 RPM |
| Massimo momento di inerzia del giunto | 0.02 kgcm2 |
| Coppia di serraggio (massima) | 2.3 Nm |
| Rigidità alla torsione della molla | 994 Nm/rad |
| Spostamento dell'albero (assiale massimo) | ± 1 mm |
| Spostamento dell'albero (radiale massimo) | ± 0.2 mm |
| Spostamento dell'albero (angolare massimo) | ± 2° |
| Peso | 30 g |
| Temperatura di Funzionamento | -40°C to 200°C / -40°F to 392°F |