
| Supply Voltage | 4.5 – 30 VDC |
| Power Consumption | ≤ 1.0 W |
| Start-Up Time | < 1 s |
| Min Temperature | -20 °C (-4 °F) |
| Max Temperature | +80 °C (+176 °F) |
| Weight | 1015 g (2.24 lb) |
| Protection Class | IP64 / IP65 |
| EMC: Emitted Interference | DIN EN 61000-6-4 |
| EMC: Noise Immunity | DIN EN 61000-6-2 |
| Measuring Length | 3.00 m (9.84') |
| Mean Length per Revolution | 260 mm |
| Wire Material | Coated Polyamide Stainless Steel |
| Wire Diameter | 0.80 mm |
| Housing Material | Steel |
| Draw Wire Housing Material | Aluminum |
| Max. Speed of Wire Displacement | 2.0 m / s |
| Max. Angular Acceleration | 7.0 g |
| Max Extension Force | 9.0 N |
| Min Retraction Force | 5.5 N |
| Actuation Lifetime | 3.0 mio Cycles (Estimated based on ideal conditions) |
| Wire Mounting | M4 Thread |
| Max. Wire Exit Angle | ±3° |
| Technology | Magnetic (≤ 0.09°) |
| Accuracy | ±0.02 % Full Scale Output |
| Repeatability | ±0.003 % Full Scale Output |
| Resolution Singleturn | 12 bit |
| Resolution Multiturn | 14 bit |
| Approx. Linear Resolution | 63.5 µm |
| Code | Gray |
| Interface | SSI with Button and LEDs |
| Manual Functions | Preset + complement via cable or connector |
| Interface Cycle Time | ≥ 25 µs |
| Output Driver | RS422 |
| Current Consumption | Typical 50 mA |
| Clock Input | RS 422, via Optocoupler |
| Clock Frequency | 100 kHz – 2 MHz |
| Reverse Polarity Protection | Yes |
| Short Circuit Protection | Yes |
| MTTF | 350 years @ 40 °C |
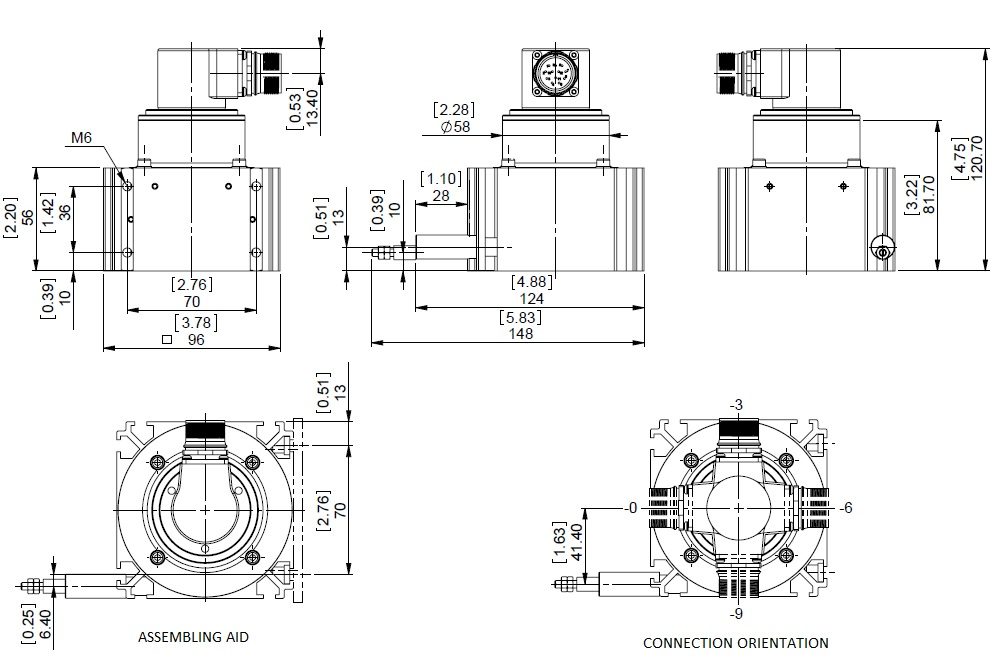
| Connection Orientation | Radial |
| Connection Orientation (w.r.t Draw Wire) | Radial 9 |
| Connector | M23, Male, 12 pin, CCW / left |
| Product Life Cycle | Established |

| Signal | Pin Number |
|---|---|
| Power Supply | 11 |
| GND | 12 |
| Data+ | 3 |
| Data- | 4 |
| Clock+ | 2 |
| Clock- | 1 |
| Preset | 9 |
| DIR | 8 |
| Not Connected | 5 |
| Not Connected | 6 |

| Not Connected | 7 |
| Not Connected | 10 |